- Страницы работы
- Фрагмент текста работы
- Исходные данные для перекрытия:
- 1. Расчет ребристой плиты перекрытия.
- 2.Расчёт полки плиты.
- Вид нагрузки
- Нагрузки, кПа
- 5. Подбор монтажной арматуры
- Курсовая работа: Расчет и конструирование ребристой плиты перекрытия 1,5х6 м
- 1. Исходные данные
- 2. Расчет ребристой плиты
- 2.1 Сбор нагрузок
- 2.2 Определение усилий в элементах плиты
- 2.3 Расчет элементов плиты по прочности
- 2.3.1 Расчет полки плиты
- 2.3.2 Расчет поперечного ребра
- 2.3.3 Расчет продольных ребер
- 2.4 Определение геометрических характеристик приведенного
- сечения плиты
- 2.5 Потери предварительного напряжения
- 2.6 Расчет продольных ребер плиты по образованию трещин,
- нормальных к продольной оси элемента
- 2.7 Расчет по раскрытию трещин, нормальных к продольной оси
- элемента
- 2.8 Расчет прогиба плиты
- 3. Расчет неразрезного железобетонного ригеля
- 3.1 Определение нагрузки на ригель
- 3.2 Статический расчет ригеля
- 3.3 Расчет прочности сечений ригеля
- 3.4 Конструирование арматуры ригеля
- Библиографический список
- Расчет ребристой предварительно напряженной плиты
Страницы работы
Фрагмент текста работы
Исходные данные для перекрытия:
— длина здания 84 м;
— ширина здания 15м;
— высота этажа 4,2м;
— количество этажей 4;
— нормативная длительно действующая полезная нагрузка 6кПа;
— нормативная кратковременно действующая нагрузка 1,5кПа;
— условное расчетное сопротивление грунта 0,25кПа;
-район строительства I;
— класс арматурной стали для изгибаемых элементов А- III;
— класс арматурной стали для колонн и фундамента А-II;
— класс бетона В15.
1. Расчет ребристой плиты перекрытия.
Рисунок 1.1 — Поперечное сечение ребристой плиты.
Рисунок 1.2 — Расчетное сечение ребристой плиты
Площадь плиты определяем по формуле

где 
Апл=(1470-2∙80)∙60+2∙80∙350=1364 см 2
Приведенная толщина плиты:

Постоянная нагрузка от собственного веса покрытия определяется по формуле

2.Расчёт полки плиты.
Нагрузки, действующие на плиту, определяем в форме таблицы2,1.
Таблица 2,1- Поверхностная нагрузка на 1 м 2 перекрытия.
Вид нагрузки
Нагрузки, кПа
В т.ч. длительные
Полка плиты рассчитывается как балка шириной 1 м. Расчётная схема полки и эпюра изгибающих моментов показаны на рисунке 2,1.
Рисунок 2,1- Расчётная схема полки плиты и эпюра моментов.
Определим изгибающий момент с учётом пластической деформации и принимаем

где l0 – расчётный пролет полки, равный расстоянию в свету между продольными ребрами, м
l0 = bк – 2bр =1,19 – 

Назначим экономически целесообразную толщину плиты. При единичном значениии ширины плиты получим формулу:
где 

Рисунок 2,2. Расчётные сечения полки плиты а) для расчета сетки С-1, воспринимающей пролетный момент Мпр, б) для расчета сетки С-2, воспринимающей опорный момент Моп, при В15 и АIII:
1. Вычислим коэффициент В0 по следующей формуле:
где Rb – расчетное сопротивление бетона В15 b – ширина полки плиты, b = 1м

2. Найдем значение относительной высоты сжатой зоны бетона 






Т.к. 

Назначим шаг рабочей и распределительной арматуры: n 7 
по ГОСТ 3279-85 подбираем сетку
Для сетки С2 определяем длину заготовки
Определим несущую способность при принятом армировании:
Найдем значение коэффициента 


Арматура класса А III: Rs=365 МПа, Rsw=290 МПа, Es=200·10 3 МПа.
Определяем нормативный изгибающий момент:
где
a – привязка, назначением 60;


Т. к.

1. Вычисляем коэффициент 
2. Находим значение коэффициента 
3. Определяем высоту сжатой зоны бетона: 

Так как x=19,3мм 2
Принимаем арматуру: 2Æ18 АIII, As=509 мм 2 .
Тогда площадь поперечного сечения одного стержня равна:

Проверка прочности несущей способности нормального сечения при принятом армировании:
1) Определяем относительную высоту сжатой зоны бетона:

2) Находим высоту сжатой зоны бетона х:

Так как 





1) Проверка достаточности бетонного сечения



42.8 кН 
где 
Так как Qmax=42,8 кН >24,2 кН, значит одного бетонного сечения недостаточно для восприятия нагрузки и необходим расчет поперечной арматуры
Проверяем прочность наклонного сечения по поперечной силе при принятой арматуре.




Сума несущих способностей:

Так как Q=103.8 кН > Qmax=42.8 kH, то прочность наклонного сечения обеспечена.
5. Подбор монтажной арматуры
В качестве расчетной схемы принимается двухконсольная балка. Расстояние между опорами принимается равным расстоянию между петлями для монтажа плит:

Рисунок 5,1 –Расчетная схема плиты при подъеме и монтаже.
Нагрузкой является собственный вес плиты:



При транспортировке, коэффициент динамичности kq=1.6

1) Определим отрицательный изгибающий момент
Моп= 
Рисунок 5,2–Расчетное сечение ребристой плиты
2)Определим рабочую высоту hо ! =h-a
х- высота сжатой зоны бетона в стадии монтажа.
hом=400-23=377 мм=0,377 м а=азащ+d/2=20+6/2=23 мм
Отпускная прочность бетона не менее 70% проектной
3) Вычисляем коэффициент Во:
4) Определяем коэффициент
5) Определяем требуемую площадь арматуры:

На один каркас (ребро) 

Принимаем арматуру Æ6 AIII As=28,3 мм 2 .
6)Проверка прочности консоли:

Рисунок 5,3–Схема монтажной плиты
7) Определяем диаметры арматуры монтажных петель
Усилие на монтажную петлю определяют на 3 петли


Требуемая площадь Аs мп одной петли определяем из выражения:
Курсовая работа: Расчет и конструирование ребристой плиты перекрытия 1,5х6 м
| Название: Расчет и конструирование ребристой плиты перекрытия 1,5х6 м Раздел: Рефераты по строительству Тип: курсовая работа Добавлен 17:23:23 14 июня 2011 Похожие работы Просмотров: 30677 Комментариев: 16 Оценило: 11 человек Средний балл: 4.8 Оценка: 5 Скачать | |||||||||||||||||||||||||||||||||||||||||||||||||||||||||||||||||||||
| Вид нагрузки | Наименование | Нормативная нагрузка Н/м2 | Коэффициент надежности по нагрузке | Расчетная нагрузка Н/м2 |
| Длительная | Нагрузка от пола g1 | 1000 | 1.3 | 1300 |
| Нагрузка от собственного веса полки плиты (tf=50 мм) g2 | 1250 | 1.1 | 1375 | |
| Временная длительная v1 | 12000 | 1.2 | 14400 | |
| Кратковременная | Временная кратковременная v2 | 3500 | 1.2 | 4200 |
| Всего q1 | 21275 | |||
Таблица 2. – Нагрузки на 1 м 2 перекрытия (для расчета продольных
ребер плиты, ригеля, колонны)
| Вид нагрузки | Наименование | Нормативная нагрузка Н/м2 | Коэффициент надежности по нагрузке | Расчетная нагрузка Н/м2 |
| Длительная | Нагрузка от пола g1 | 1000 | 1.3 | 1300 |
| Нагрузка от собственного веса плиты g3 | 3000 | 1.1 | 3300 | |
| Временная длительная v1 | 12000 | 1.2 | 14400 | |
| Итого длительная | 16000 | 19000 | ||
| Кратковременная | Временная кратковременная v2 | 3500 | 1.2 | 4200 |
| Всего q2 | 19500 | 23200 | ||
2.2 Определение усилий в элементах плиты
Изгибающие моменты в продольном и поперечном направлениях полки:
Где lп – пролет полки.
Изгибающий момент в середине пролета поперечного ребра:
Где lр – пролет поперечного ребра 1.28 м (см. рис. 1);
Где gсв – собственный вес одного метра поперечного ребра.
Поперечная сила у опор поперечного ребра:
Максимальный изгибающий момент в середине пролета продольных ребер:
Где 
Поперечная сила у опор:
Изгибающий момент от полной нормативной нагрузки:
Где 
Изгибающий момент от длительной нормативной нагрузки:
Где 
2.3 Расчет элементов плиты по прочности
2.3.1 Расчет полки плиты
Армирование полки проводим по принятой схеме армирования, принимая h=5 см (толщина полки), h0 =3.5 см.
В качестве рабочей арматуры выбираем арматуру класса Вр-ǀ, Rs =365 МПа.
Схема расположения арматурных сеток приводится на рис. 4.
По ГОСТ 8487-81 принимаем:
Сетку С-2 подбираем с рабочей арматурой в поперечном направлении;
С-1 – 3 Вр-ǀ-100/3 Вр-ǀ-100, Аs =0.71/0.71 см 2 ;
С-2 – 4 Вр-ǀ-150/3 Вр-ǀ-250, Аs =0.75 /0.28 см 2 .
2.3.2 Расчет поперечного ребра
Поперечное ребро рассчитываем как изгибаемый элемент таврового сечения с одиночной арматурой. Расчетное сечение приводится на рис. 2.
Рисунок 2. – расчетное сечение поперечного ребра
· hf =50 мм=5 см – высота сечения полки;
· h=250 мм=25 см – фактическая высота ребра;
· b=0.5∙(100+50)=75 мм=7.5 см – ширина ребра;
Где b – ширина ребра по верху.
Нейтральная ось проходит в полке.
В качестве рабочей продольной арматуры принимаем арматуру класса А-400 (предполагая диаметр стержней 6-8 мм), Rs =355 МПа:
По сортаменту подбираем стержни рабочей продольной арматуры поперечного ребра — 8 мм, Аs =0.503 см 2 .
Необходимость расчета поперечной арматуры проверяем из условия Q˂QB , Где Q= 
Минимальная поперечная сила, воспринимаемая бетоном:
Где
Поперечную арматуру назначаем по конструктивным соображениям. Диаметр – минимальным по условиям сварки –3Вр-ǀ. Шаг поперечной арматуры на приопорном участке S=h/2=250/2=125 мм˂150 мм. Принимаем 125 мм. В средней части ребра S=3∙h/4=3∙250/4=187.5=188 мм. Принимаем 180 мм.
2.3.3 Расчет продольных ребер
Для расчета плиты в продольном направлении приводим ее сечение к расчетному (рис. 3).
Рисунок 3. – действительное и расчетное сечение плиты
bf =144.5 см – ширина плиты по верху; hf =5 см – толщина полки; h=45 см – высота плиты;
b=2∙(10+8.5)/2=18.5 см – средняя суммарная ширина ребер.
Величину предварительного напряжения продольной рабочей арматуры принимаем: σs р =0.6∙Rsn =0.6∙785=471 МПа.
Длина напрягаемого стержня: lст =555+25=580 см=5.8 м.
Возможное отклонение предварительного напряжения:
Проверяем выполнение условий:
Условия удовлетворяются, следовательно, величина предварительного напряжения находится в допустимых пределах.
Предельное отклонение предварительного напряжения:
Где Пр =2 – количество напрягаемых стержней (по одному в ребре).
Граничная относительная высота сжатой зоны:
Где еs , el – относительная деформация растянутой арматуры, при напряжениях, равных Rs ;
Еb , ult – относительная деформация сжатого бетона, при напряжениях, равных Rb , принимаемая равной 0.0035.
Коэффициент, характеризующий относительную высоту сжатой зоны:
Условие о≤оR удовлетворяется.
Высота сжатой зоны:
Следовательно, расчет сечения может производиться как прямоугольного с шириной сечения 144.5 см.
Коэффициент условий работы высокопрочной арматуры при напряжениях выше условного предела текучести.
Где з1 =1.15 – для арматуры класса Ат-800.
Площадь поперечного сечения продольной рабочей арматуры:
По сортаменту подбираем 2-18 Ат-800 с площадью поперечного сечения Аsp =5.09 см 2 .
Для расчета сечений, наклонных к продольной оси, определяем коэффициенты, характеризующие работу сечения:
Н – усилие предварительного напряжения.
Поперечная сила, воспринимаемая бетоном (минимальная):
Где цb 3 =0.6 для тяжелого бетона.
Расчет необходимо продолжить.
Где цb 2 =2 для тяжелого бетона.
Принимаем С=84 см.
Поперечная сила, воспринимаемая бетоном:
Поперечная арматура по расчету не требуется. Конструктивно принимаем поперечную арматуру 4 Вр-ǀ с шагом:
На приопорных участках:
В средней части:
Прочность по наклонной полосе между трещинами проверяем из условия:
Прочность наклонной полосы между трещинами обеспечена.
2.4 Определение геометрических характеристик приведенного
сечения плиты
Поперечное сечение плиты представлено на рис. 5.
Рисунок 4 – Расчетное сечение плиты
Площадь приведенного сечения плиты:
Статический момент приведенного сечения относительно нижней грани:
Расстояние от нижней грани до центра тяжести приведенного сечения:
Момент инерции приведенного сечения:
Момент сопротивления приведенного сечения по нижней зоне:
Момент сопротивления приведенного сечения по верхней зоне:
Расстояние от ядровой точки, наиболее удаленной от растянутой грани, до центра тяжести сечения:
Где
Принимаем
Расстояние от ядровой точки, наименее удаленной от растянутой грани, до центра тяжести приведенного сечения:
Упругопластический момент сопротивления по растянутой зоне:
Где г=1.75 – для тавровых сечений с полкой в сжатой зоне.
Упругопластический момент сопротивления по сжатой зоне:
Где г=1.5 – для тавровых сечений с полкой в растянутой зоне при bf /b˃2 и hf /h˂0.2.
2.5 Потери предварительного напряжения
Потери от релаксации напряжения в арматуре:
Потери от температурного перепада у2 =0 (изделие подвергается тепловой обработке вместе с силовой формой).
Усилие обжатия с учетом потери у1 :
Эксцентриситет этого усилия относительно центра тяжести приведенного сечения:
l
Напряжение в бетоне при обжатии:
Передаточная прочность бетона должна быть не менее:
Принимаем Rbp =12 МПа.
Сжимающее напряжение на уровне центра тяжести напрягаемой арматуры с учетом изгибающего момента от собственного веса плиты и передаточной прочности бетона.
Потери от быстро натекающей ползучести:
Итого, первые потери:
Потери от усадки бетона уb =40 МПа.
Усилие обжатия с учетом всех первых потерь:
Сжимающее напряжение на уровне центра тяжести растянутой арматуры с учетом изгибающего момента от собственного веса плиты:
Потери от ползучести бетона:
Усилия обжатия с учетом всех потерь:
2.6 Расчет продольных ребер плиты по образованию трещин,
нормальных к продольной оси элемента
Ядровый момент усилия обжатия:
Где γsp =1-Δγsp =1-0.13=0.87 – коэффициент натяжения арматуры.
Момент образования трещин:
Трещины в растянутой зоне в процессе эксплуатации образуются. Необходим расчет по раскрытию трещин. Проверку образования трещин в верхней зоне при ее обжатии проводим из условия:
Где Р1 – усилие обжатия с учетом первых потерь;
М – изгибающий момент от собственного веса плиты;
Rbtp – прочность бетона на растяжение к моменту передачи напряжения, соответствующая передаточной прочности бетона.
Трещины в верхней зоне плиты при ее обжатии не образуются.
2.7 Расчет по раскрытию трещин, нормальных к продольной оси
элемента
Для изгибаемых элементов, армированных стержневой арматурой, ширина раскрытия трещин определяется по формуле:
Где ц1 при длительном действии нагрузки – 1.4, при кратковременном – 1;
ц2 =0.5 для арматуры периодического профиля;
ц3 =1 для изгибаемых элементов;
уs – напряжение в продольной растянутой арматуре, определяемое по формуле:
Где М – момент от нагрузок, учитываемых в расчете;
zs – расстояние от центра тяжести растянутой арматуры до точки приложения равнодействующей усилий в сжатой зоне элемента. Для элементов тавровой формы значение zs может быть принято равным:
ls – базовое расстояние между смежными нормальными трещинами:
Значение lb должно быть не менее 10 см и не более 40 см. Принимаем lb =40 см.
Где Аbt – площадь сечения растянутой зоны бетона.
шs – коэффициент, учитывающий неравномерное распределение относительных деформаций растянутой арматуры между трещинами:
Непродолжительная ширина раскрытия трещин:
Где аcrc 1 – ширина раскрытия трещин от продолжительного действия постоянной и временной длительной нагрузок;
аcrc 2 – от непродолжительного действия постоянных и временных (длительных и кратковременных) нагрузок;
аcrc 3 – от непродолжительного действия постоянных и временных длительных нагрузок.
Допустимая ширина раскрытия трещин 0.3 мм – непродолжительная и 0.2 мм – продолжительная.
2.8 Расчет прогиба плиты
плита трещина арматура ригель
Так как деформации плиты ограничиваются эстетическими соображениями, расчет прогиба плиты проводим на действие постоянных и длительных нагрузок.
Эксцентриситет продольной силы:
Коэффициент, характеризующий неравномерность деформации растянутой арматуры:
Плечо внутренней пары сил Z1 =39.5 см.
Величина площади сжатой зоны бетона:
Кривизна оси при изгибе:
Прогиб от действия длительной и постоянной нагрузок:
Допустимый прогиб равен 2.5 см. Прогиб плиты от действия длительной и постоянной нагрузок менее допустимого.
3. Расчет неразрезного железобетонного ригеля
Бетон ригеля тяжелый класса В20. Рабочая продольная и поперечная арматура без предварительного напряжения класса А-400. Пролет среднего ригеля принимаем равным расстоянию между гранями колонн 5.65 м (рис. 5), пролет крайнего ригеля равным расстоянию от грани колонны до центр опоры на стене 5.6 м (рис. 5). Сечение колонн принимаем 40*40 см, заделку ригеля в стену – 30 см, центра опоры посередине опорной площадки. Расчетный ригель – средний.
3.1 Определение нагрузки на ригель
Определяем нагрузку от собственного веса ригеля:
Где Ар =0.3625 м 2 – площадь сечения ригеля;
с – объемная масса железобетона;
гf – коэффициент надежности по нагрузке.
Нагрузка на ригель:
Постоянная нагрузка на 1 м ригеля:
Временная нагрузка на 1 м ригеля:
3.2 Статический расчет ригеля
Изгибающие моменты в сечениях ригеля:
Где β – коэффициент, зависящий от Vриг /qриг и от положения сечения. Изгибающие моменты определяем с учетом пластического перераспределения моментов.
Разбиваем пролеты на пять равных частей и определяем изгибающие моменты через 1/5 пролета. По результатам расчета строим объемлющие эпюры изгибающих моментов для первого (крайнего) и второго (среднего) пролетов. Эпюры приведены на рис. 6.
Рисунок 6. – Эпюры изгибающих моментов и поперечных сил крайнего
и среднего ригеля
Изгибающие моменты в первом пролете:
Расстояние от грани колонны до нулевой точки верхней ветви эпюры:
Расстояние от грани колонны до нулевой точки нижней ветви эпюры:
Поперечная сила на крайней опоре:
Поперечная сила на первой промежуточной опоре слева:
Изгибающие моменты во втором пролете:
Расстояние от грани колонны до нулевой точки нижней ветви эпюры:
Поперечная сила на левой и правой опорах среднего пролета:
3.3 Расчет прочности сечений ригеля
Расчет выполняем для ригеля среднего пролета. Высота ригеля задана и равна 800 мм. Сечение ригеля рассматриваем как прямоугольное 300*800 мм; площадь консольных свесов в расчет не вводят, так как они расположены близко к середине высоты ригеля, т.е. вне сжатой зоны. Рабочая высота h0 =0.9∙h=720 мм, а=80 мм, b=475 мм.
Граничная относительная высота сжатой зоны:
Где щ=б-0.008∙Rb =0.85-0.008∙11.5=0.758; уsR =365 МПа.
Площадь поперечного сечения продольной рабочей (нижней) арматуры среднего пролета:
По сортаменту подбираем 4х18 А-400 Аs =10.18 см 2 .
Площадь поперечного сечения продольной рабочей арматуры над опорами в среднем пролете:
По сортаменту подбираем 2х28 А-400 Аs =12.32 см 2 .
Площадь поперечного сечения рабочей арматуры в верхней зоне ригеля в пролете:
По сортаменту подбираем (с запасом) 2х16 А-400 Аs =4.02 см 2 .
Схема расположения продольной рабочей арматуры среднего ригеля приведена на рис. 9.
Минимальная поперечная сила, которая может быть воспринята бетоном наклонного сечения:
Это меньше поперечных сил на всех опорах. Расчет продолжаем:
Величина проекции наиболее опасного наклонного сечения на ось элемента у средних опор:
Для расчета наклонных сечений у всех опор принимаем С=138 см. Поперечная сила, воспринимаемая бетоном:
Это меньше значений поперечных сил у всех опор. Необходим расчет поперечной арматуры.
По условиям сварки принимаем поперечные стержни ⌀8 А-400.
Поперечная сила, воспринимаемая хомутами у крайней опоры:
Поперечная сила, воспринимаемая хомутами у первой промежуточной опоры слева:
Поперечная сила, воспринимаемая хомутами у средних опор:
Требуемые погонные усилия в хомутах у средних опор:
Шаг поперечной арматуры у средних опор:
По конструктивным требованиям шаг поперечной арматуры не должен превышать:

и 
Окончательно шаг поперечной арматуры принимаем для среднего ригеля: на приопорных участках, равных 1.4 м, S=20 см. В средней части S=60 см. Схемы расположения поперечной арматуры приводятся на рис. 10.
Прочность по cжатой полосе между наклонными трещинами проверяем из условия:
Для средних опор:
Прочность по сжатой полосе обеспечена для наклонных сечений у всех опор.
3.4 Конструирование арматуры ригеля
Для построения эпюры материалов определяем изгибающие моменты, воспринимаемые сечениями ригеля.
Изгибающий момент, воспринимаемый сечением, армированным 4х18 А-400 Аs =10.18 см 2 (рис. 9 сеч. 3-3):
Изгибающий момент, воспринимаемый сечением, армированным 2х18 А-400 Аs =5.09 см 2 (рис. 9 сеч. 4-4):
Изгибающий момент, воспринимаемый сечением, армированным 2х28 А-400 Аs =12.32 см 2 — опорной арматурой (рис. 9 сеч. 4-4):
Изгибающий момент, воспринимаемый сечением, армированным 2х16 А-400 Аs =4.02 см 2 (рис. 9 сеч. 3-3):
Для конструирования арматуры ригеля строим эпюры материалов. По эпюре материалов определяем величины изгибающих моментов в точках теоретического обрыва и соответствующие им значения поперечных сил Q. Определяем Q графически.
Величины поперечных сил составляют:
Величины поперечных сил в сечениях, соответствующих точкам теоретического обрыва стержней среднего ригеля:
В точке обрыва Q1 =177.7 кН
В точке обрыва Q2 = 184.8кН
Обе точки расположены на приопорном участке ригеля.
Усилия в хомутах на единицу длины:
Длины анкеровки обрываемых стержней:
Библиографический список
1. СНиП 2.03.01-84*. Нормы проектирования. Бетонные и железобетонные конструкции./ Госстрой СССР. — Москва: Стройиздат, 1989.
2. СНиП 2.01.07-85. Нормы проектирования. Нагрузки и воздействия./ Госстрой СССР. — Москва: Стройиздат, 1985.
3. СП 52-101-2003. Бетонные и железобетонные конструкции без предварительного напряжения арматуры. — М.: ФГУП ЦПП, 2005.
4. СП 52-102-2004. Предварительно напряженные железобетонные конструкции. — М.: ФГУП ЦПП, 2005.
5. В.Н. Байков, Э.Е. Сигалов «Железобетонные конструкции». — Москва: Стройиздат», 1985.
Расчет ребристой предварительно напряженной плиты
РЕБРИСТЫЕ ПЛИТЫ
СБОРНЫХ ЖЕЛЕЗОБЕТОННЫХ ПЕРЕКРЫТИЙ
Методические указания к курсовому проекту по дисциплине
«Железобетонные и каменные конструкции»
для студентов всех форм обучения и МИППС направления
Составители: канд. техн. наук, доц. М.А. Тамов
канд. пед. наук, доц. Е.Н. Карпанина
Ребристые плиты сборных железобетонных перекрытий: Методические указания к курсовому проекту по дисциплине «Железобетонные и каменные конструкции» для студентов всех форм обучения и МИППС направления 270800.62 Строительство/Сост.: М.А. Тамов, Е.Н. Карпанина; Кубан. гос. технол. ун-т. Каф. строительных конструкций. – Краснодар: Изд.КубГТУ, 2015.- 23с.
Изложены общие положения расчета и проектирования ребристой предварительно напряженной плиты по двум группам предельных состояний.
Ил. 12. Табл. 11. Библиогр.: 14 назв.
Печатается по решению методического совета ФГБОУ ВПО «Кубанский государственный технологический университет»
Рецензенты: канд. техн. наук, доц. кафедры СК КубГТУ
начальник архитектурно-строительного отдела
ОАО «Кубаньводпроект» К.Ю. Деркач
Общие указания по проектированию
Приступая к расчету плиты перекрытия, нужно иметь исходные данные для расчета, полученные в процессе работы над компоновкой конструктивной схемы перекрытия. Должны быть установлены размеры сетки колонн, расположение ригелей, назначен тип, ширина и длина плит, произведена раскладка плит с составлением соответствующей схемы.
Принятый тип плиты перекрытия и схема раскладки утверждается руководителем курсового проекта на стадии компоновки перекрытия.
Дополнительно к имеющимся данным, а также данным, указанным в задании, устанавливаются: высота сечения элемента, толщина полки плиты, размеры сечения ребер, расчетный пролет плиты; конструкция пола перекрытия; производится подсчет нагрузок.
Рассмотрим более подробно каждое из этих положений.
Высоту сечения предварительно напряженных ребристых плит можно предварительно назначить равной:
В промышленных зданиях номинальная ширина плит перекрытий 1500, 3000 мм. Доборные элементы имеют 1000, 750 и 500 мм.
Расчетный пролет плиты принимается равным расстоянию между осями опор, его величина зависит от условий опирания плиты на ригели.
При опирании плиты на ригель по верху расчетный пролет (рис.1):

при опирании плиты на боковые полки ригелей
Тип и состав конструктивных элементов пола зависит от технологических требований производства, величины и характера временных нагрузок и других.
Подсчет нагрузок лучше выполнять в табличной форме (см. табл. 1) отдельно подсчитываются нормативные и расчетные нагрузки на 1 м 2 перекрытия.
Расчет ребристой предварительно напряженной плиты
2.1 Данные для расчета
Для примера расчета принята ребристая плита с номинальной шириной b = 1200 мм идлиной l = 6000 мм.
Материалы для плиты:
Бетон класса В25. Призменная прочность нормативная Rbn = Rb,ser = 18,5 МПа; расчетная Rb = 14,5 МПа; коэффициент условий работы бетона γb1 = 0,9; нормативное сопротивление при растяжении Rbtn = Rbt,ser = 1,55 МПа; расчетное Rbt = 1,05 МПа; начальный модуль упругости бетона Еb = 30000 МПа.
Напрягаемая арматура в продольных ребрах класса А800. Нормативное сопротивление Rsn = Rs,ser =800 МПа; расчетное сопротивление растяжению Rs = 695 МПа; модуль упругости Es = 200000 МПа.
Класса В500 в полке плиты в виде сварных сеток. Нормативное сопротивление Rsn = Rs,ser =500 МПа; расчетное сопротивление растяжению Rs = 415 МПа; Rsw = 300МПа
Класса А300 в продольных и поперечных ребрах в виде продольной рабочей арматуры в сварных каркасах. Нормативное сопротивление Rsn = Rs,ser =300 МПа; расчетное сопротивление растяжению Rs = 270 МПа;
Технология изготовления плиты — агрегатно-поточная с пропариванием.
Рассчитываемая плита будет работать в закрытом помещении при влажности воздуха окружающей среды выше 40%.
Требования к расчету по второй группе предельных состояний:
— из условия обеспечения сохранности арматуры и условия ограничения проницаемости конструкции допускается ограниченное по ширине непродолжительное acrc = 0,3 мм и продолжительное acrc = 0,2 мм раскрытие трещин;
— предельно допустимый прогиб плиты при ее пролете l = 6 м равен /f/ = 2,0 см.
2.2 Расчетный пролет и нагрузки
Нормативные и расчетные нагрузи на 1 м 2 перекрытия приведены в табл. 1.
Для установления расчетного пролета плиты предварительно задаемся размерами сечения ригеля: 
Расчетный пролет плиты при опирании на ригель поверху:
| № п/п | Наименование нагрузки | Нормативная нагрузка, Па | Коэф. надёжности по нагрузке γf | Расчётная нагрузка, Па |
Постоянная Собственный вес ребристой плиты бетонный пол из плиток, δ=25 мм ( ) Цементный раствор, δ=15 мм ( ) ИТОГО: | 1,1 1,1 1.3 | |||
| — | ||||
| Временная полезная (см. задание на КП) В том числе: Длительная кратковременная | 1,2 1,2 1,2 | |||
| Полная нагрузка В том числе: Постоянная и длительная кратковременная | — — — |
Расчетная нагрузка на 1 м длины при ширине плиты 1,2 м с учетом коэффициента надежности по назначению здания / gn = 0,95/:
постоянная g = 3667×1,2×0,95 = 4180 Н/м;
полная g+p = /3667+7200/×1,2×0,95 = 13040 H/м.
Нормативная нагрузка на 1 м длины:
постоянная g = 3290×1,2×0,95 = 3750 H/м
полная g + V = /3290+6000/×1,2×0,95 = 10590 H/м,
в том числе постоянная и длительная полезная:
/3290+4500/×1,2×0,95 = 8880 H/м.
2.3 Усилия от расчетных и нормативных нагрузок
От полной расчетной нагрузки:
От полной нормативной нагрузки:

От нормативной постоянной и длительной:

2.4 Компоновка поперечного сечения плиты
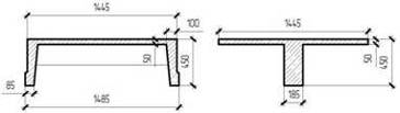
Принимаем плиту со следующими параметрами (рис. 2): высота сечения предварительно-напряженной плиты h = l0/20 = 588/20 = 30 cм, рабочая высота сечения h0 = h-a = 30-3 = 27 см, ширина плиты по низу bg = bn-1 = 120- 1 = 119 cм, ширина плиты по верху b’f = bn — 2×2,5 = 120-5 = 115 см, толщина полки hf = 5 см, ширина продольных ребер по низу – 7 см.
Приведенное поперечное сечение (рис. 2б) плиты имеет тавровую форму со следующими параметрами: b’f = 115 cм, при условии h’1/h = 5/30 = 0,167 > 0,1 в расчет вводится вся ширина полки bf = 115 см, расчетная ширина ребра принимается как среднее арифметическое ширины верха и низа ребра:
Рисунок 2 — Ребристая плита:
а — проектное сечение; б — приведенное сечение
2.5 Расчет полки на местный изгиб
В отсутствие поперечных промежуточных ребер полка плиты рассматривается как балочная плита, опертая на два продольных ребра плиты.
Расчетный пролет при ширине ребер вверху 8 см составит
где 8 см – ширина продольного ребра вверху.
Расчетная нагрузка на 1 м 2 полки:
q = g + g1 + v = (917 + 1375 + 7200)×0,95 = 9017 Н/м 2 , где g и v принимаются по табл. 1.;
g1 = h’f×1×1×g×gf = 0,05×1×1×25000×1,1 = 1375 Н/м 2 – нагрузка от собственной массы полки.
Изгибающий момент для полосы шириной 1 м определяется с учетом пластичной заделки в ребрах
Рабочая высота сечения
Арматура & 3 В500 с Rs = 415 МПа.
Рассчитываем площадь сечения рабочей арматуры
Аs = 
где an=
Принимаем сетку с поперечной рабочей арматурой Ø3 В500 с шагом 100 мм и общей площадью Аs=63,6 мм 2 на рассчитанную полосу шириной 1 м.
2.6 Расчет прочности сечений, нормальных к продольной оси плиты
Расчетныйизгибающий момент от полной нагрузки М = 5634900 Нсм. Расчетное сечение тавровое, поэтому необходима проверка положения нейтральной линии. Если условие 
Условие выполняется, поэтому расчет производим как для прямоугольного сечения с шириной b=1150 мм.
По табл. 3.1(2) при классе арматуры А800 и σsp/Rs = 0,6 находим ξR = 0,41.
Тогда aR = ξR(1- ξR/2) = 0,41(1-0,41/2) = 0,326 > аm= 0,046, т.е. сжатой арматуры не требуется.
и коэффициент γs3 согласно п.3.9(2).
Так как ξ/ξR = 0,047/0,41=0,115 2 .
2.7 Определение усилий предварительного обжатия
Геометрические характеристики сечения:
Площадь бетона A=1150·50+150·250= 95000 мм 2 ;
Приведенная площадь Ared = A + aAsp= 95000 + 6,67·308 = 97054,36 мм 2 ;
Статический момент сечения бетона относительно нижней грани:
Расстояние от нижней грани до центра тяжести всего сечения:
Момент инерции приведенного сечения:
Принимаем σsp в пределах:
Максимально допустимое значение σsp без учета потерь равно
Потери от релаксации напряжений в арматуре равны
По агрегатно-поточной технологии изделие при пропаривании нагревается вместе с формой и упорами, поэтому температурный перепад между ними равен нулю и, следовательно, Δσsp2 = 0.
Потери от деформации формы Δσsp3 и анкеров Δσsp4 при электротермическом натяжении арматуры равны нулю.
Таким образом, сумма первых потерь равна
Усилие обжатия с учетом первых потерь
В связи с отсутствием в верхней зоне напрягаемой арматуры (т.е. при A’sp = 0) имеем
Предварительные напряжения в бетоне σbp при передаче усилия предварительного обжатия P(1) не должны превышать0,9Rbp, если напряжения уменьшаются или не изменяются при действии внешних нагрузок.
Принимаем, что момент от собственного веса равен нулю

Определяем вторые потери напряжений согласно пп.2.31и 2.32[2].
Потери от усадки равны Δσsp5 = εb,shEs= 0,0002·2·10 5 = 40 МПа.
Потери от ползучести определяем, принимая значения φb,сr и Еb по классу бетона В25 (согласно табл.2.6[2] φb,сr = 2,5)
коэффициент армирования
Определяем нагрузку от массы плиты
и момент от этой нагрузки в середине пролета
(здесь l = 5,7 м – расстояние между прокладками при хранении плиты);
Тогда определим напряжение бетона на уровне арматуры S при ysp =181,86мм:
Потери от ползучести:
Вторые потери для арматуры равны
Δσsp(2) = Δσsp5 + Δσsp6 = 40 + 83,42 = 123,42 МПа.
Суммарная величина потерь напряжения
Δσsp(1) + Δσsp(2) = 21,6 + 123,42 = 145,02 МПа > 100 МПа,
следовательно, требование п.2.36[2] выполнено и потери не увеличиваем.
Напряжение σsp2 с учетом всех потерь равно
σsp2 = 720 -145,02 = 574,98 МПа.
Определяем усилие обжатия с учетом всех потерь напряжений Р.
Эксцентриситет усилия Р равен
2.8 Расчет прочности по наклонным сечениям
Расчет на действие поперечных сил
Прочность бетонной полосы проверяем из условия 
где Q – поперечная сила в нормальном сечении, принимаемом на расстоянии от опоры не менее
Так как 
Определяем необходимость постановки поперечной арматуры по выполнению условия 

Так как 
Принимаем четыре каркаса с арматурой ∅4В500 и шагом поперечных стержней 100 мм 
По формуле поперечная сила, воспринимаемая хомутами,
где
Поперечную силу, воспринимаемую бетоном, находим по формуле :
Для этого невыгоднейшее значение с при равномерной нагрузке рассчитаем по следующей формуле
где 
Условие прочности наклонного сечения по поперечной силе выполнено.
Расчет на действие изгибающего момента
Длина зоны передачи напряжений определяется по формуле:
где

Расстояние от торца панели до начала зоны передачи напряжений
Проверяем выполнение условия прочности
Момент 
Рассчитываем этот момент
Длина площадки опирания
Определяем момент 

Вычисляем момент 
Следовательно, несущая способность обеспеченна.
2.9 Расчет предварительно напряженной плиты по предельным состояниям 2-й группы.
2.9.1 Расчет по раскрытию трещин
Момент образования трещин предварительно напряженных изгибаемых элементов в стадии эксплуатации:
Мtot=Мn= 45,76 кНм, 
Расчет по раскрытию трещин производят из условия
Предельно допустимая ширина раскрытия трещин при продолжительном раскрытии трещин аcrc,ult=0,2мм. Предельно допустимая ширина раскрытия трещин при непродолжительном раскрытии трещин аcrc,ult=0,3мм.
Ширина раскрытия нормальных трещин определяется по формуле (п.4.8 [2] ):
φ1 — коэффициент, учитывающий продолжительность действия нагрузки и принимаемый равным:
1,0 — при непродолжительном действии нагрузки;
1,4 — при продолжительном действии нагрузки;
φ2 — коэффициент, учитывающий профиль арматуры и принимаемый равным:
0,5 — для арматуры периодического профиля и канатной;
0,8 — для гладкой арматуры (класса А240);
ψs — коэффициент, учитывающий неравномерное распределение относительных деформаций растянутой арматуры между трещинами; допускается принимать ψs = 1; если при этом условие acrc ≤ acrc,ult не удовлетворяется, значение ψs следует определять по формуле
где σs,crc — приращение напряжений в растянутой арматуре в сечении с трещиной сразу после образования нормальных трещин , т.е. при М = Mcrc.
Приращение напряжений в растянутой арматуре при действии постоянных и длительных нагрузок
Плечо внутренней пары сил 

1)
2)
Определяем 

При действии всех нагрузок

Базовое расстояние между трещинами ( 
Аbt — площадь сечения растянутого бетона.
Высота растянутой зоны
к — поправочный коэффициент, учитывающий неупругие деформации растянутого бетона и равный: для прямоугольных сечении и тавровых с полкой в сжатой зоне — 0,9; для двутавровых (коробчатых) сечений и тавровых с полкой в растянутой зоне — 0,95.



т.к.
acrc1 — ширина раскрытия трещин, определяемая при φ1 = 1,4 и при действии постоянных и длительных нагрузок (т. е. при М = Ml);
acrc2 — то же, при φ1 = 1,0 и действии всех нагрузок (т.е. при М = Mn);
acrc3 — то же, при φ1 = 1,0 и действии постоянных и длительных нагрузок (т.е. при М = Ml)
Продолжительное раскрытие трещин: acrc = acrc1=0,022 2 /2 = 
По табл. 111.1(2) находим h = 0,89, тогда
Следовательно, в верхней зоне должно быть не менее 2Æ16 A300 с As = 4,02 см 2 .


















































































































































































































































) Цементный раствор, δ=15 мм (
) ИТОГО:













































































